凯发K8

logo
产品中心
排针连接器系列
伺服排针 排针连接器
简牛 & 牛角 连接器
简牛连接器 牛角连接器
网口连接器
RJ45
汽车连接器
A型接插件
earth
中文 English
sanjiao
产品中心
JL5EDGRC-7.62
JL5EDGRC-7.62
JL5EDGRC-7.62
JL5EDGRC-7.62
JL5EDGRC-7.62
JL5EDGRC-7.62
JL5EDGRC-7.62
JL5EDGRC-7.62
凯发·k8天生赢家·一触即发
凯发·k8天生赢家·一触即发

JL5EDGRC-7.62

JL5EDGRC-7.62,7.62mm,公座,插拔式,90°

总览
技术数据
产品认证
工程图
下载

插拔式接线端子

接线端子就是用于实现电气连接的一种配件产品 ,工业上划分为连接器的领域。 随着工业自动化水平越来越高和工业控制要求越来越严格、精确 ,接线端子的用量逐渐上涨。随着电子行业的生长 ,接线端子的使用规模越来越多 ,并且种类也越来越多。用得最广泛的除了PCB板端子外 ,另有五金端子 ,螺帽端子 ,弹簧端子等等。


接线端子逐渐广泛应用到各个领域 ,在通报电信号和导电方面起到了连接作用 ,从而减少了事情量和生产本钱的消耗 ,给生产和使用带来了诸多便当 ,制止了许多的麻烦。从而抵达简化产品结构、节约制造本钱的目的。因此针对端子检测带来的利益并结合市场剖析 ,推荐适合端子检测的仪器可以专业的检测设备进行检测。 常用的端子检测设备有:工具显微镜和光学影像仪。


基础参数

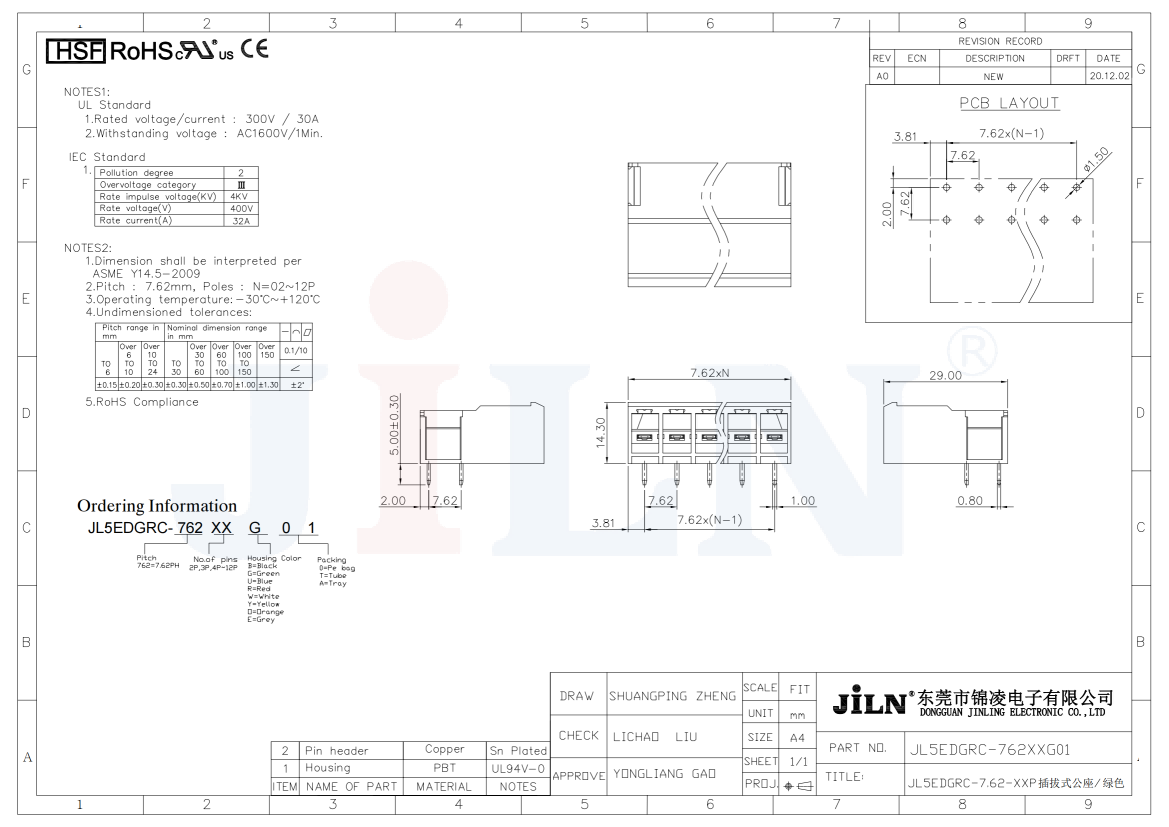
料号JL5EDGRC-7.62
种类插拔式接线端子
规格(间距)7.62mm
类别公座
角度类型90°
Pin数规模值212Pin数


工程参数

额定电压300V
额定电流30AMP
耐压值AC1600V/1Min
温度规模-30120
瞬时温度250摄氏度 5s
焊针材质磷青铜 ,镀锡 Phosphorusbronze ,Tinplated
塑件材质PA66 UL94V-0


工程图
凯发·k8天生赢家·一触即发

JL5EDGRC-7.62

JL5EDGRC-7.62,7.62mm,公座,插拔式,90°

花样:PDF

日期:2022-3-26

外洋业务部:

0755-29975806

海内业务部:

0755-29975818

前台客服:

0755-27483253

海内业务部邮箱:

szjinling@szjiln.com

海内业务部邮箱:

jinling.899@163.com

+

凯发·k8天生赢家·一触即发
网站地图