产品中心
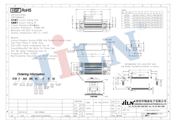
0.5mm高频大电流浮动式板对板连接器/母座H6.0
| 料号 | 3726FXXX060XXXX0X |
| 系列 | 浮动式板对板连接器 |
| 位数 | 40/60/80Pin |
| 间距 | 0.5mm |
| 额定电流 | 信号端:0.5A/电源端:5.0A |
| 额定电压 | 50V AC/DC |
| 装置方法 | SMT立贴 |
| 配合高度H | H:8.0(公座:6.9/母座:6.0) |
| H:10.0(公座:8.9/母座:6.0) |
产品认证资料
总览
技术数据
产品认证
工程图
下载
板对板连接器
板对板连接器是所有连接器产品类型中传输能力最强的连接器产品,主要应用于电力系统、通信网络、金融制造、电梯、工业自动化、医疗设备、办公设备、家电、军工制造等行业。板对板连接器主要的间距有0.5mm、 0.635mm、 0.8mm、 1.00mm、 1.27mm等更多可为客户定制化效劳。板对板连接器作为板与板之间的焦点电子元器件,在数据传输上起到了至关的作用。
由于电子化生长,越来越多的精密设备的降生,这使越来越多的差别样式的板对板连接器被制造出来。浮动式板对板连接器最小0.5毫米端子间距,该连接器可节省客户产品的空间,并且为客户创立更多电子仪器的灵感。浮动式板对板的设计事情提供灵活性,耐高温,适合高度自动化生产,适用于新能源汽车,消费电子,工业等其他领域
规格参数
| 料号 | 3726FXXX060XXXX0X |
| 系列 | 浮动式板对板 |
| 位数 | 40/60/80Pin |
| 间距 | 0.5mm |
| 高度 | 6.0mm |
| 类别 | 母座 |
| 装置方法 | SMT立贴 |
质料/电气参数
| (信号端)额定电流 | 0.5A |
| (电源端)额定电流 | 5.0A |
| 额定电压 | 50V DC/AC RMS |
| 耐压 | 200V AC/分 |
| 接触电阻 | 最大80mΩ |
| 绝缘电阻 | 最小500MΩ |
| 事情温度值 | -40℃ to +105℃ |
| 接触质料 | 磷铜 |
| 主体材质 | LCP |
| 最大加工温度 | 260℃±5℃ 5秒 |

