凯发K8

logo
产品中心
排针连接器系列
伺服排针 排针连接器
简牛 & 牛角 连接器
简牛连接器 牛角连接器
网口连接器
RJ45
汽车连接器
A型接插件
earth
中文 English
sanjiao
产品中心
SCSI/180°/母座/全塑M型/带鱼叉
SCSI/180°/母座/全塑M型/带鱼叉
SCSI/180°/母座/全塑M型/带鱼叉
SCSI/180°/母座/全塑M型/带鱼叉
SCSI/180°/母座/全塑M型/带鱼叉
SCSI/180°/母座/全塑M型/带鱼叉
凯发·k8天生赢家·一触即发
凯发·k8天生赢家·一触即发

SCSI/180°/母座/全塑M型/带鱼叉

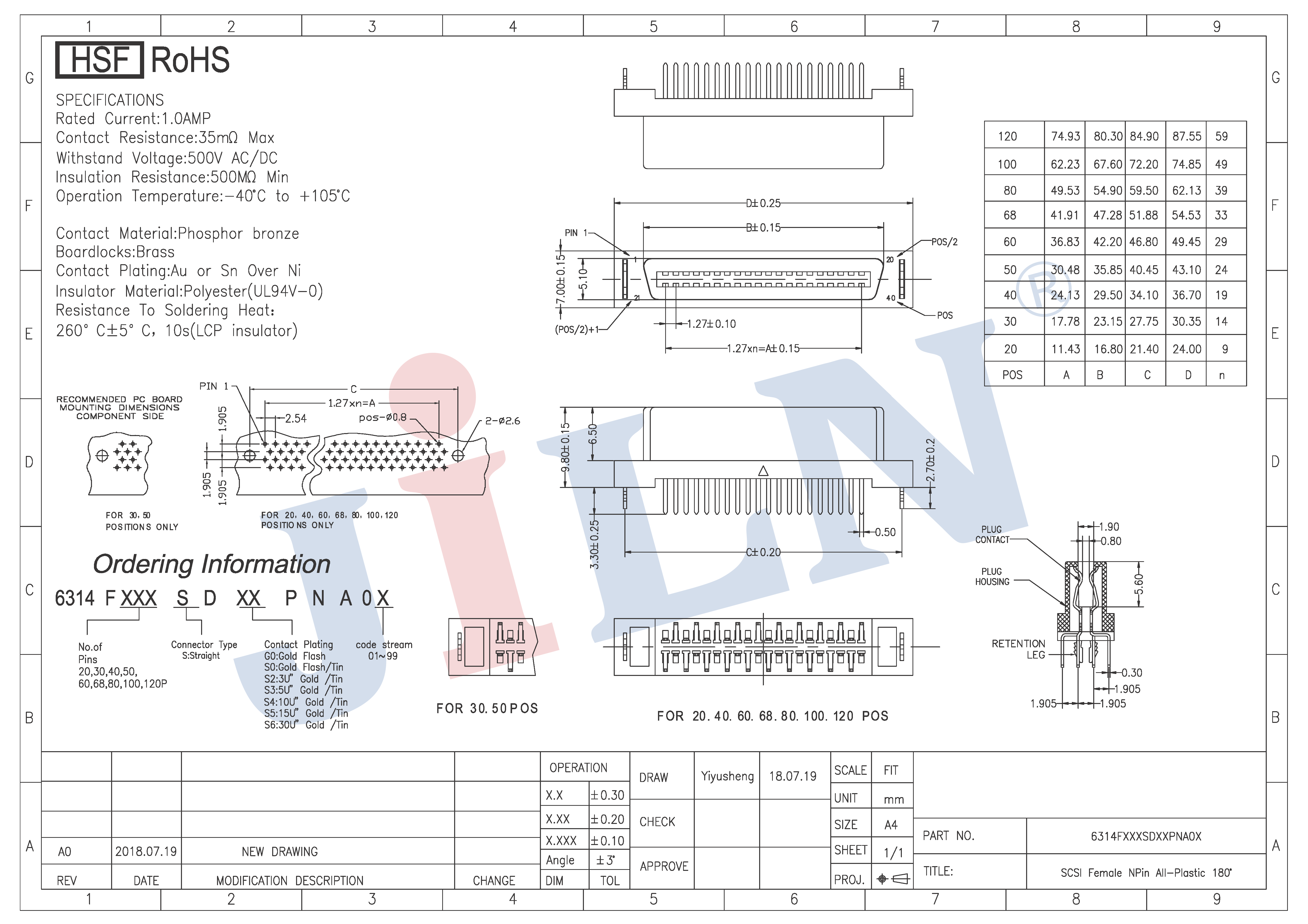
基础参数
料号
6314FXXXSDXXPWA0X
种类SCSI
位数20/30/40/50/60/68/80/100/120Pin
间距1.27mm
额定电流1.0A
额定电压250V AC/DC
装置方法180°插板

产品认证资料

总览
技术数据
产品认证
工程图
下载

SCSI连接器

小型盘算机系统接口(英语:Small Computer System Interface; 简写:SCSI) ,是一种智能的通用接口标准。SCSI是一种真正的总线,它为设备界说了标准的物理和电气连接。SCSI和其它的总线之间的原则区别是SCSI使多种种种外围设备的应用越发便当。

 SCSI是一种用于盘算机和智能设备之间(硬盘、软驱、光驱、打印机、扫描仪等)系统级接口的独立处理器标准 ,在SCSI母线上可以连接主机适配器和八个SCSI外设控制器 ,外设可以包括磁盘、磁带、CD-ROM、可擦写光盘驱动器、打印机、扫描仪和通讯设备等。

规格参数

料号6314FXXXSDXXPWA0X 
种类SCSI
位数20/30/40/50/60/68/80/100/120Pin
间距1.27mm
类别母座
装置方法180°插板

质料/电气参数

额定电流1.0A
额定电压250V AC/DC
耐压500V AC 60秒
接触电阻
最大35mΩ
绝缘电阻最小500MΩ
事情温度-40℃ ~ +105℃
接触质料铜合金
主体绝缘材质LCP
最大加工温度260℃±5℃ 10秒
工程图
凯发·k8天生赢家·一触即发

6314FXXXSDXXPWA0X SCSI 180° 母座 全塑M型 带鱼叉.PDF

图纸

花样:PDF

日期:2023.03.30

外洋业务部:

0755-29975806

海内业务部:

0755-29975818

前台客服:

0755-27483253

海内业务部邮箱:

szjinling@szjiln.com

海内业务部邮箱:

jinling.899@163.com

+

凯发·k8天生赢家·一触即发
网站地图